Beschreibung
OMAG C 3/4 gebrauchte Teebeutelmaschine rechteckige Beutel (2016)
Model: OMAG
Type: C 3/4
Kategorie: Teebeutelmaschine
Baujahr: 2016
Zustand: gebraucht, guter Zustand
VIDEO
gebrauchte Teebeutelmaschine
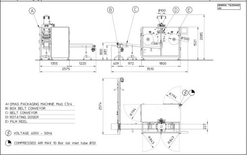
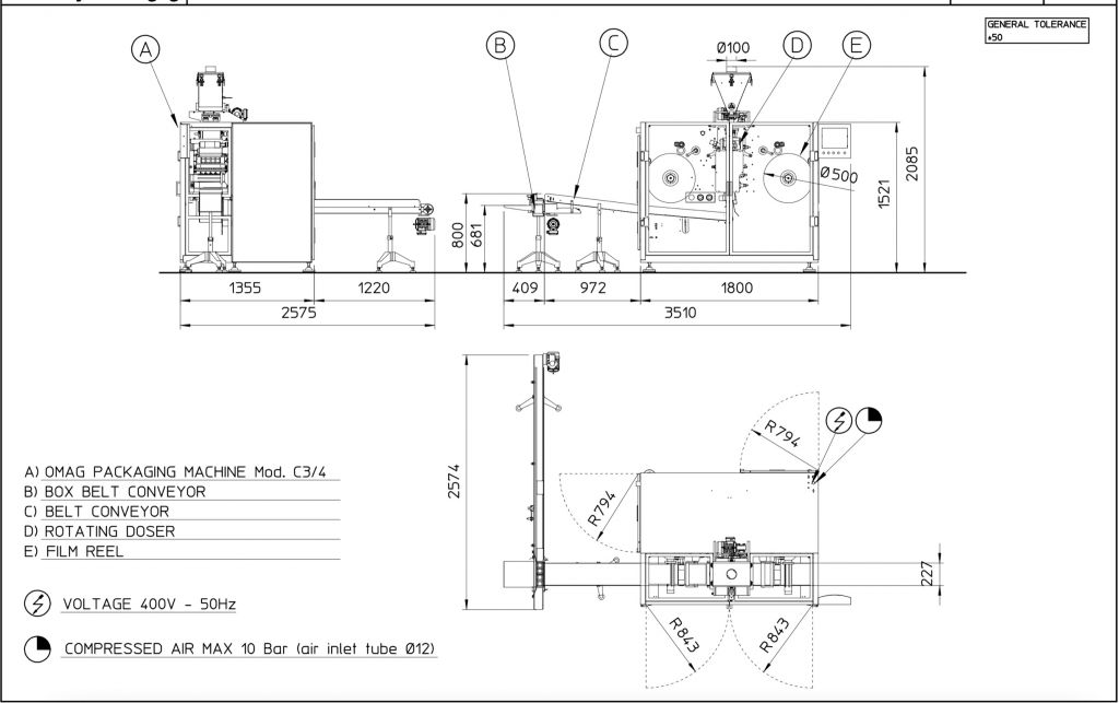
Technische Eigenschaften:
Sachet Länge, mm 62
Sachet Breite, mm 50
Anzahl der Dosieren: 4
gebrauchte Teebeutelmaschine kaufen
Produktivität, bis 500 Beutel pro Minute
Luftverbrauch 6
8 m3 / Stunde
Versorgungsspannung 3 x 400 V / 230 V, 50 Hz

















































